| Sign In | Join Free | My benadorassociates.com |
|
Brand Name : LHTi
Model Number : Titanium Weld Neck Flange WNRF
Certification : ISO9001, TUV etc.
Place of Origin : BaoJi, China
MOQ : 1-5 pieces
Price : negotiable
Payment Terms : L/C, D/A, D/P, T/T, Western Union
Supply Ability : 5000 pcs per month
Delivery Time : 3-15 working days
Packaging Details : Plywood case or pallet etc.
Product Standard : DIN 2633 Weld Neck Flange
Common Types : ANSI, DIN, ISO, JIS, ASME, ASME B16.47 ANSI B16.5
Materials : Titanium Flanges
Grade of Materials : Grade 2 Grade 5 Grade 7
Pressure Rating : PN 16
Sizes : DN10-DN1000, as per your requirement
Face Types : RF, FF, TG, RJ Etc.
Processes : Casting, Forging, Machining, Etc.
Connection Type : Weld Neck, Slip On, Socket Weld, Threaded, Lap Joint
Applications : Plumbing, HVAC, and general industrial piping systems
DIN 2633 Titanium Weld Neck Flange RFWN Ti Gr2 Gr5 Gr7 PN 16 Flange WN in Pipeline Systems
1.Product Introduction of DIN2633 Titanium Weld Neck Flange
The DIN 2633 PN16 titanium weld neck flange is a specific type of flange designed according to German DIN standards. DIN 2633 specifies the dimensions, material specifications, and technical requirements for weld neck flanges.
Material:
Design Features:
Dimensions and Specifications:
Weld neck flanges are chosen for applications precisely because they excel under severe and critical conditions:
Weld neck flanges provide a strong, reinforced connection between pipes or fittings, capable of withstanding high internal pressures without leaking. The welding neck design reduces stress concentration at the joint, which is crucial under high pressure conditions.
In industries such as oil and gas, chemical processing, and power generation, where temperature and pressure can fluctuate widely, weld neck flanges offer stability and reliability. They maintain a secure seal over a broad range of operational conditions.Weld neck flanges are often made from materials like stainless steel or titanium, which can withstand elevated temperatures without losing their mechanical properties. This makes them suitable for applications involving hot fluids or gases.
The robust construction of weld neck flanges ensures they can handle hazardous and corrosive fluids safely. They provide a secure connection that minimizes the risk of leaks or material degradation, crucial for industries dealing with volatile substances.Some applications, such as in cryogenic processes or Arctic environments, require components that remain reliable at extremely low temperatures. Weld neck flanges, when made from appropriate materials and with suitable design considerations, can maintain their integrity even in sub-zero conditions.
2. Grade2, Grade 5 and Grade 7 of DIN 2633 Titanium Weld Neck Flange

Titanium Grade 2 (Ti-CP):
Composition: Commercially pure titanium with a composition of 99.2% titanium, 0.25% iron, 0.3% oxygen, and trace amounts of other elements.
Properties:
Strength: Relatively low compared to alloys; higher than many steels but lower than alloyed titanium grades.
Corrosion Resistance: Excellent in most environments, especially against chlorides.
Weldability: Good weldability and fabricability.
Titanium Grade 5 (Ti-6Al-4V):
Composition: Titanium alloy containing 90% titanium, 6% aluminum, and 4% vanadium.
Properties:
Strength: Excellent strength-to-weight ratio, superior to Grade 2 titanium.
Corrosion Resistance: Good corrosion resistance, not as high as Grade 2 but suitable for many environments.
Temperature Resistance: Maintains strength at elevated temperatures, making it suitable for aerospace and high-performance applications.
Titanium Grade 7 (Ti-0.15Pd):
Composition: Titanium alloy with 0.15% palladium added.
Properties:
Corrosion Resistance: Excellent resistance to corrosion, particularly in reducing environments.
Weldability: Good weldability, suitable for welding and fabrication.
Strength: Lower strength compared to Grade 5 but adequate for many applications.
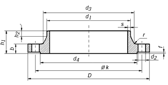
3. Specifications for DIN2633 PN16 Titanium Weld Neck Flange

| Pipe | Flange | Neck | Raised face | Screws | Weight | |||||||||||
|---|---|---|---|---|---|---|---|---|---|---|---|---|---|---|---|---|
| (7,85 Kg/dm3) | ||||||||||||||||
| Rated | d1 | D | b | k | h1 | d3 | s | r | h2 | d4 | f | Holes | Thread | d2 | Kg | |
| Diameter | ISO Series | DIN Series | ||||||||||||||
| 15 | - | 20 | 95 | 14 | 65 | 35 | 30 | 2 | 4 | 6 | 45 | 2 | 4 | M 12 | 14 | 0,648 |
| 21,3 | - | 32 | ||||||||||||||
| 20 | - | 25 | 105 | 16 | 75 | 38 | 38 | 2,3 | 4 | 6 | 58 | 2 | 4 | M 12 | 14 | 0,952 |
| 26,9 | - | 40 | ||||||||||||||
| 25 | - | 30 | 115 | 16 | 85 | 38 | 42 | 2,6 | 4 | 6 | 68 | 2 | 4 | M 12 | 14 | 1,14 |
| 33,7 | - | 45 | ||||||||||||||
| 32 | - | 38 | 140 | 16 | 100 | 40 | 52 | 2,6 | 6 | 6 | 78 | 2 | 4 | M 16 | 18 | 1,69 |
| 42,4 | - | 56 | ||||||||||||||
| 40 | - | 44,5 | 150 | 16 | 110 | 42 | 60 | 2,6 | 6 | 7 | 88 | 3 | 4 | M 16 | 18 | 1,86 |
| 48,3 | - | 64 | ||||||||||||||
| 50 | - | 57 | 165 | 18 | 125 | 45 | 72 | 2,9 | 6 | 8 | 102 | 3 | 4 | M 16 | 18 | 2,53 |
| 60,3 | - | 75 | ||||||||||||||
| 65 | 76,1 | - | 185 | 18 | 145 | 45 | 90 | 2,9 | 6 | 10 | 122 | 3 | 4 | M 16 | 18 | 3,06 |
| 80 | 88,9 | - | 200 | 20 | 160 | 50 | 105 | 3,2 | 8 | 10 | 138 | 3 | 8 | M 16 | 18 | 3,7 |
| 100 | - | 108 | 220 | 20 | 180 | 52 | 125 | 3,6 | 8 | 12 | 158 | 3 | 8 | M 16 | 18 | 4,62 |
| 114,3 | - | 131 | ||||||||||||||
| 125 | - | 133 | 250 | 22 | 210 | 55 | 150 | 4 | 8 | 12 | 188 | 3 | 8 | M 16 | 18 | 6,3 |
| 139,7 | - | 156 | ||||||||||||||
| 150 | - | 159 | 285 | 22 | 240 | 55 | 175 | 4,5 | 10 | 12 | 212 | 3 | 8 | M 20 | 22 | 7,75 |
| 168,3 | - | 184 | ||||||||||||||
| (175) | 193,7 | - | 315 | 24 | 270 | 60 | 210 | 5,4 | 10 | 12 | 242 | 3 | 8 | M 20 | 22 | 9,85 |
| 200 | 219,1 | - | 340 | 24 | 295 | 62 | 235 | 5,9 | 10 | 16 | 268 | 3 | 12 | M 20 | 22 | 11 |
| 250 | - | 267 | 405 | 26 | 355 | 70 | 285 | 6,3 | 12 | 16 | 320 | 3 | 12 | M 24 | 26 | 15,6 |
| 273 | - | 292 | ||||||||||||||
| 300 | 323,9 | - | 460 | 28 | 410 | 78 | 344 | 7,1 | 12 | 16 | 378 | 4 | 12 | M 24 | 26 | 22 |
| 350 | 355,6 | - | 520 | 30 | 470 | 82 | 390 | 8 | 12 | 16 | 438 | 4 | 16 | M 24 | 26 | 31,2 |
| - | 368 | 28,8 | ||||||||||||||
| 400 | 406,4 | - | 580 | 32 | 525 | 85 | 445 | 8 | 12 | 16 | 490 | 4 | 16 | M 27 | 30 | 39,3 |
| - | 419 | 36,3 | ||||||||||||||
| (450) | 457 | - | 640 | 34 | 585 | 85 | 490 | 8 | 12 | 16 | 550 | 4 | 20 | M 27 | 30 | 44,3 |
| 500 | 508 | - | 715 | 34 | 650 | 90 | 548 | 8 | 12 | 16 | 610 | 4 | 20 | M 30 | 33 | 61 |
| 600 | 610 | - | 840 | 36 | 770 | 95 | 652 | 8,8 | 12 | 18 | 725 | 5 | 20 | M 33 | 36 | 75,4 |
| 700 | 711 | - | 910 | 36 | 840 | 100 | 755 | 8,8 | 12 | 18 | 795 | 5 | 24 | M 33 | 36 | 77 |
| 800 | 813 | - | 1025 | 38 | 950 | 105 | 855 | 10 | 12 | 20 | 900 | 5 | 24 | M 36 | 39 | 101 |
| 900 | 914 | - | 1125 | 40 | 1050 | 110 | 955 | 10 | 12 | 20 | 1000 | 5 | 28 | M 36 | 39 | 122 |
| 1000 | 1016 | - | 1255 | 42 | 1170 | 120 | 1058 | 10 | 16 | 22 | 1115 | 5 | 28 | M 39 | 42 | 162 |
4. The Production Process of Titanium Weld Neck Flanges
Material Selection:
Titanium Alloy: The process begins with selecting the appropriate titanium alloy based on the application requirements. Common alloys include Grade 2 (Ti-CP), Grade 5 (Ti-6Al-4V), and Grade 7 (Ti-0.15Pd), chosen for their specific mechanical properties, corrosion resistance, and other relevant characteristics.
Cutting and Forming:
Raw Material Preparation: Titanium billets or bars are cut into suitable lengths based on the required flange dimensions.
Forging or Rolling: The titanium material is heated to an optimal temperature and shaped using forging or rolling techniques to form the initial flange blanks. For weld neck flanges, this includes forming the neck and the flange face.
Machining:
Turning and Milling: The forged or rolled titanium blanks undergo precision machining operations. This includes turning to achieve the desired outer diameter (OD) and milling to create the flange face (raised face, flat face, or ring type joint per ASME B16.5 specifications).
Drilling: Holes are drilled into the flange to accommodate bolts and ensure proper alignment with the connecting pipes.
Weld Preparation:
Beveling: The ends of the weld neck flange, especially the area where it connects to the pipe, are beveled to facilitate welding. Proper beveling ensures strong weld joints and effective fusion.
Welding:
Welding Process: Titanium weld neck flanges are typically welded using TIG (Tungsten Inert Gas) welding or similar methods suitable for titanium alloys. Welding is performed with care to maintain a shielded atmosphere (argon or helium) to prevent contamination and oxidation, which can compromise the titanium's corrosion resistance.
Weld Inspection: Post-weld inspection includes non-destructive testing (NDT) methods such as dye penetrant testing or ultrasonic testing to verify the integrity of the welds.
Heat Treatment (if required):
Annealing: Depending on the titanium alloy and specific requirements, annealing or stress-relieving heat treatment may be applied to optimize material properties and reduce residual stresses.
Final Inspection and Testing:
Dimensional Inspection: Each weld neck flange undergoes rigorous dimensional checks to ensure it meets precise tolerances and specifications, including those set by ASME B16.5.
Visual and Surface Inspection: Visual inspections ensure there are no surface defects or imperfections that could affect performance or integrity.
Pressure Testing: Hydrostatic or pneumatic pressure testing may be conducted to verify the flange's pressure integrity and leak resistance under specified conditions.
Surface Treatment and Finishing:
Surface Coating: Depending on the application, surface treatments such as passivation or anodizing may be applied to further enhance corrosion resistance or improve surface finish.
Marking and Identification: Each flange is marked with essential information such as material grade, size, pressure class, and manufacturer identification for traceability.
Packaging and Shipping:
Once inspections and testing are completed satisfactorily, the titanium weld neck flanges are carefully packaged to prevent damage during transport and storage. They are then shipped to customers or distribution centers.
5. Applications of DIN 2633 Titanium Weld Neck Flange
The application of titanium flanges in the aviation sector is crucial for several reasons:
Weight Reduction: Titanium alloys used in flanges offer excellent strength-to-weight ratios, making them highly desirable in aerospace. Engineers often aim to reduce aircraft weight while maintaining strength to enhance fuel efficiency and flight performance. Titanium flanges contribute significantly to achieving this goal by reducing overall structural weight.
Corrosion Resistance: Titanium flanges exhibit outstanding corrosion resistance, particularly against chloride ions prevalent in marine environments. Aircraft and helicopters operating in such conditions require components with robust corrosion resistance, where titanium flanges play a vital role.
High Temperature Performance: Titanium flanges maintain strength and stability at high temperatures, making them suitable for applications such as engine components, gas turbines, and jet engines that demand heat-resistant materials. They withstand high-temperature airflow and heat emissions while maintaining structural integrity and functionality.
High Strength Requirements: Titanium flanges' high strength enables them to withstand dynamic loads and mechanical stresses typical in aviation, ensuring flight safety and structural reliability. They are commonly used in critical connections such as landing gear, wing assemblies, structural components, and flight control systems.
Wear and Fatigue Resistance: Titanium alloys offer excellent fatigue and wear resistance, critical for aerospace applications subjected to frequent use and high-intensity operations. Titanium flanges maintain stable performance over extended periods, reducing the risk of damage and failure due to fatigue and wear.
|
|
DIN 2633 Titanium Weld Neck Flange RFWN Ti Gr2 Gr5 Gr7 PN 16 Flange WN In Pipeline Systems Images |